Выключатель нагрузки автогазовый ВНА-СТ-Л-10/400(630)-20-IIIз У2

Каталог продукции завода «Самарский трансформатор»

Документы
Каталог ВНА-СТ но...
Скачать
СТЗ.0312.00.00.00...
Скачать
ВНАЛ-СТ10630-20-I...
Скачать
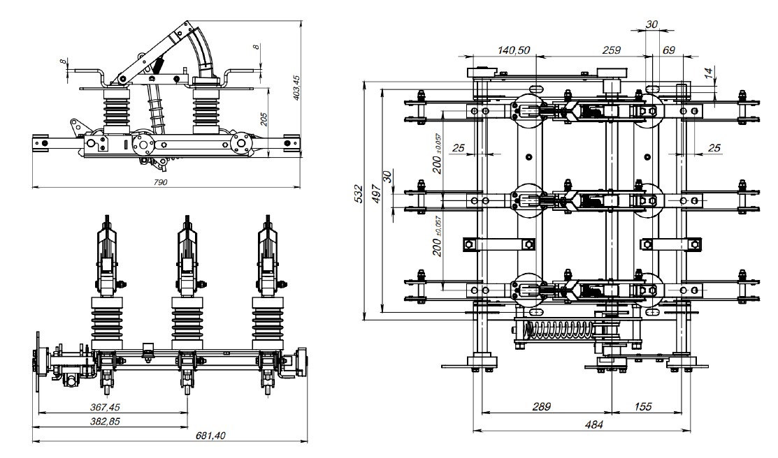
Габаритные и уста...
Скачать
Сертификат соотве...
Скачать
Описание:

Выключатели нагрузки автогазовые типа ВНА-СТ-Л-10/400(630)-20-IIIз У2 предназначены для включения и отключения под нагрузкой участков электрической цепи переменного трехфазного тока 400 и 630 А частотой 50-60 Гц, номинальным напряжением до 10 кВ, а также для обеспечения безопасного производства работ на отключенном участке при помощи стационарных заземлителей.


Технические параметры выключателей ВНА-СТ-Л-10/400(630)-20-IIIз У2

Параметр Значение
Номинальное напряжение Uном, кВ 10
Номинальное рабочее напряжение Uнр, кВ 12
Номинальный ток, А 400, 630
Номинальное начальное значение периодической составляющей сквозного тока короткого замыкания Iнп, кА 20
Номинальный ток отключения, А 400, 630
Нормативные параметры сквозного тока короткого замыкания:
- наибольший пик тока (ток электродинамической стойкости), кА;
- начальное действующее значение периодической составляющей, кА;
- среднеквадратичное значение тока за время его протекания (ток термической стойкости), кА;
- время протекания тока tкз, с.

51
20
20
1
Нормированные параметры тока включения:
- наибольший пик, кА,
- начальное действующее значение периодической составляющей, кА

51
20
Электрическое сопротивление главной цепи контура не более 10 циклов
Электрическое сопротивление главных токоведущих цепей при включенном положении выключателя не должна превышать, мк. Ом 100
Сопротивление изоляции подвижных и направляющих частей, выполненных из органических материалов не должно быть меньше значений, МОм 1000
Механическая износостойкость, циклов (включено-произвольная пауза-отключено) не менее 2000
 Мощность, потребляемая аппаратом на один полюс 400А - 12,3 Вт
630А - 21,8 Вт

      

Документы
Каталог ВНА-СТ но...
Скачать
СТЗ.0312.00.00.00...
Скачать
ВНАЛ-СТ10630-20-I...
Скачать
Габаритные и уста...
Скачать
Сертификат соотве...
Скачать