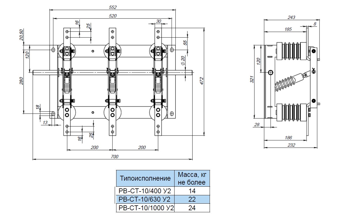
Разъединители РВ-СТ-10/400 (630, 1000) У2

Каталог продукции завода «Самарский трансформатор»

Документы
Каталог РВЗ-СТ но...
Скачать
Инструкция РВЗ-СТ...
Скачать
РВ-10-630.STEP
Скачать
Габаритные и уста...
Скачать
Сертификат соотве...
Скачать
Описание:

Высоковольтные разъединители внутренней установки РВ-СТ-10/400 (630, 1000) У2 совместно с приводом ПР-10-СТ предназначены для включения и отключения под напряжением участков электрической цепи напряжением до 10 кВ при отсутствии нагрузочного тока или для изменения схемы соединения, а также заземления отключенных участков при помощи стационарных заземлителей при их наличии.


Технические параметры разъединителей РВ-СТ-10/400 (630, 1000) У2

Параметр Значение
Число полюсов 1, 3
Номинальное напряжение, Uном/ Uнр, кВ 10/12
Предельный ток термической устойчивости, Iт, кА в течение 3с для главных ножей, для заземляющих в течение 1 с 400 А – 16
630 А – 20
1000 А – 31,5
Ток электродинамической стойкости, Iд, кА 400 А – 41
630 А – 52
1000 А – 80
Электрическое сопротивление главной цепи контура не более 130 х 10-6 Ом
Номинальная частота 50 /60 Гц
Климатическое исполнение У2
Степень защиты IP 00

Мощность, потребляемая аппаратом на один полюс

400 А – 41 Вт
630 А – 52 Вт
1000 А – 80 Вт

 Механический ресурс, циклы «Включено-отключено» 1000

      

Документы
Каталог РВЗ-СТ но...
Скачать
Инструкция РВЗ-СТ...
Скачать
РВ-10-630.STEP
Скачать
Габаритные и уста...
Скачать
Сертификат соотве...
Скачать