Каталог продукции завода «Самарский трансформатор»
Описание:
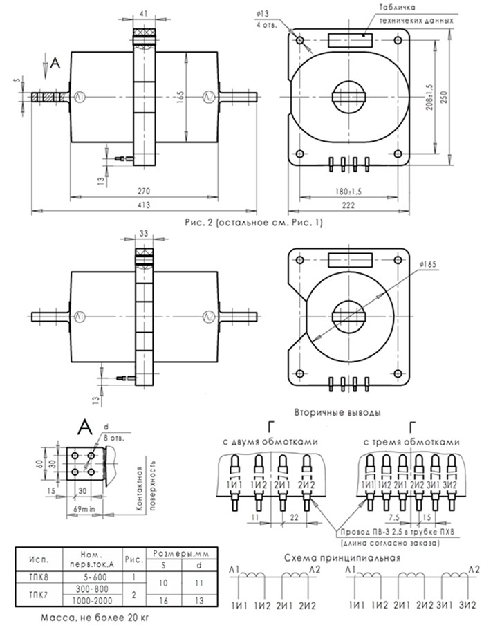
Трансформатор тока (ТОЛ) ТЛК-СТ-10-ТПК7 (600А-2000А) с габаритом 413х222х250 мм первичного тока 600А до 2000А (один виток). 2-е или 3-и вторичные обмотки. Места крепления 180х208 мм. 1-2-3 вторичные обмотки с гибкими вторичными выводами из провода ПВ-3 расположены горизонтально