Каталог продукции завода «Самарский трансформатор»
Описание:
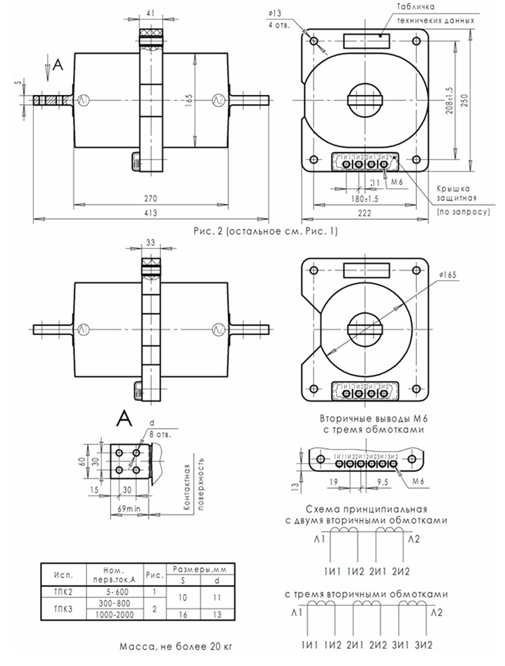
Трансформатор тока (ТОЛ) ТЛК-СТ-10-ТПК2(1) (5А-800А) с габаритом 413х222х250 мм первичного тока 5А до 600А (многовитковая). 2-е или 3-и вторичные обмотки. С защитной крышкой вторичных выводов. Места крепления 180х208 мм.