Изолятор ИПЭЛ-10-СТ

Каталог продукции завода «Самарский трансформатор»

Документы
Таблица взаимозам...
Скачать
Руководство по эк...
Скачать
Габаритные и уста...
Скачать
3D-модель ИПЭЛ-10...
Скачать
Описание:

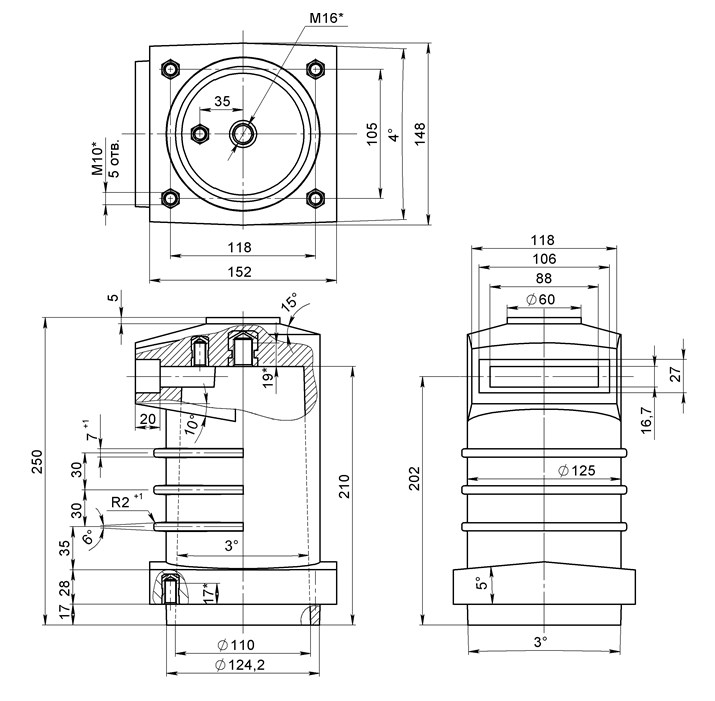
Изолятор ИПЭЛ-10-СТ на 10кВ является проходным изолятором из эпоксидной смолы и предназначен для жесткого крепления токоведущей части, находящейся под напряжением, к основной части конструкции  КРУ, КСО.

Технические параметры изоляторов ИПЭЛ-10-СТ на 10кВ
Параметр Значение
Номинальное напряжение Uном., В     10
Наибольшее допустимое напряжение, кВ  12    
Номинальный ток,А  1250    
Номинальная частота, Гц
50; 60
Климатическое исполнение по ГОСТ 15150 У2, У3, Т3, УХЛ2
Высота изолятора , мм
250
Нормированное напряжение промышленной частоты, выдерживаемое в сухом состоянии в течение 1 мин, кВ 
42
Условный внутренний  диаметр изолятора, мм
110
Резьба / Резьба  М10 /М16
Резьба установочных закладных                4отв. М10
Длина пути утечки, мм  263
Момент затягивания резьбы, Н•м  М10  8,8    
Момент затягивания резьбы, Н•м  М16     36
 Масса, кг 3,3


Документы
Таблица взаимозам...
Скачать
Руководство по эк...
Скачать
Габаритные и уста...
Скачать
3D-модель ИПЭЛ-10...
Скачать